詳解常見三種電動車充電器電路圖及結構和工作原理 KIA MOS管
信息來源:本站 日期:2018-04-24
充電器是電動自行車的附件,是給蓄電池補充電能的裝置。它可以滿足電動自行車用電的需要,并對蓄電池產生保護,有效的延長蓄電池的使用壽命。
電動自行車的充電器一般采用開關電源充電器,分為二階段充電模式和三階段充電模式兩種。
二階段充電模式即恒壓充電,它是將充電過程分為恒流、恒壓兩個充電階段,充電電流隨蓄電池電壓上升而逐漸減少。當蓄電池電量上升到一定程度時,再轉為恒壓充電,使蓄電池內的電壓緩慢上升,當蓄電池的電壓達到充電器的充電終止電壓(不同的充電方式,電壓不一樣,多段式充電方式的終止電壓一般為41.4V,恒壓式充電方式一般為43.8~44.4V)時,再轉為涓流充電,即浮充,這樣可以有效的保護蓄電池,延長蓄電池的使用壽命。電動車普遍采用三階段式充電。
電動自行車充電器是從電動自行車中獨立出來的。充電器是給蓄電池補充電能的裝置。充電器的好壞對蓄電池的使用壽命及電動自行車的正常行駛有著直接的影響。電動自行車使用的蓄電池有多種類型,各種類型的充電方式不盡相同,但工作原理大同小異。
充電器充電就是在蓄電池放電后,按與放電電流相反的方向用直流電通過蓄電池,使電能在蓄電池內轉化為化學能儲存起來,恢復其工作能力,這個過程叫做蓄電池充電。蓄電池的充電方式有恒流充電和恒壓充電兩種方式。蓄電池的充電電壓必須高于蓄電池的總電動勢。其充電方法是:將蓄電池負極與電源負極相連,蓄電池正極與電源正極相連。
充電器主要由塑料外殼、輸出插頭、輸入插頭等組成。充電器上有指示燈,同時作為電源指示和充電指示使用,使用時先插上充電的輸出插頭,再插上輸入插頭即可進行充電。蓄電池的充電并不是隨意接上電源就能充的,如交流電不變成直流電不能充,電壓和電流的大小不適當不能充,不能過充電等,這些都需要充電器來完成。
充電器的結構形式有兩種:一種是變壓器式普通充電器,另一種是開關電源式充電器,兩種充電器各具有不同的特點。目前的電動自行車一般采用開關電源式充電器,其內部主要由開關變壓器、晶體管、控制集成電路等構成。采用開關電源技術的充電器,其適用范圍廣,既適合鉛酸蓄電池充電,又適合鋰蓄電池充電,且具有輸入電壓范圍寬(交流100~240V)、輸出過電壓保護、只能防反接、可長時間短路、采用智能三段式充電等特點。
第一種:下圖為充電器的電路原理圖,主要由整流濾波、高壓開關、電壓變換、恒流、恒壓及充電控制等幾部分組成。其基本原理是充電器將輸入的220V市電電壓經整流濾波后轉變為直流300V左右的電壓,通過開關管的接通和關斷,使300V直流電壓變成受控制的交流電壓,交流電壓通過開關變壓器耦合后在其二次側產生低壓交流電,低壓交流電再通過二極管整流后輸出直流充電電壓。
開關管受電源厚模塊的控制,4N35光耦合器將二次電壓波動信號反饋給電源厚模塊,從而達到穩定輸出電壓的目的。使用開關電源作為充電器的好處是能有效的根據負載的大小控制輸出,保護負載并節約能源。
第二種:圖1:以3842驅動場效應管的單管開關電源,配合358雙運放來實現三階段充電方式。其電原理圖和元件參數見 圖表2
圖表2
工作原理:220v交流電經T0雙向濾波抑制干擾,D1整流為脈動直流,再經C11濾波形成穩定的300V左右的直流電。U1 為3842脈寬調制集成電路。其5腳為電源負極,7腳為電源正極,6腳為脈沖輸出直接驅動場效應管Q1(K1358) 3腳為最大電流限制,調整R25(2.5歐姆)的阻值可以調整充電器的最大電流。2腳為電壓反饋,可以調節充電器的輸出電壓。4腳外接振蕩電阻R1,和振蕩電容C1。T1為高頻脈沖變壓器,其作用有三個。
第一是把高壓脈沖將壓為低壓脈沖。
第二是起到隔離高壓的作用,以防觸電。
第三是為uc3842提供工作電源。
D4為高頻整流管(16A60V)C10為低壓濾波電容,D5為12V穩壓二極管, U3(431)為精密基準電壓源,配合U2(光耦合器4N35) 起到自動調節充電器電壓的作用。調整w2(微調電阻)可以細調充電器的電壓。D10是電源指示燈。D6為充電指示燈。 R27是電流取樣電阻(0.1歐姆,5w)改變W1的阻值可以調整充電器轉浮充的拐點電流(200-300 mA)通電開始時,C11上有300v左右電壓。此電壓一路經T1加載到Q1。第二路經R5,C8,C3, 達到U1的第7腳。強迫U1啟動。U1的6腳輸出方波脈沖,Q1工作,電流經R25到地。同時T1副線圈產生感應電壓,經D3,R12給U1提供可靠電源。T1輸出線圈的電壓經D4,C10整流濾波得到穩定的電壓。此電壓一路經D7(D7起到防止電池的電流倒灌給充電器的作用)給電池充電。第二路經R14,D5,C9, 為LM358(雙運算放大器,1腳為電源地,8腳為電源正)及其外圍電路提供12V工作電源。D9為LM358提供基準電壓,經R26,R4分壓達到LM358的第二腳和第5腳。正常充電時,R27上端有0.15-0.18V左右電壓,此電壓經R17加到LM358第三腳,從1腳送出高電壓。此電壓一路經R18,強迫Q2導通,D6(紅燈)點亮,第二路注入LM358的6腳,7腳輸出低電壓,迫使Q3關斷,D10(綠燈)熄滅,充電器進入恒流充電階段。當電池電壓上升到44.2V左右時,充電器進入恒壓充電階段,輸出電壓維持在44.2V左右,充電器進入恒壓充電階段,電流逐漸減小。當充電電流減小到200mA—300mA時,R27上端的電壓下降,LM358的3腳電壓低于2腳,1腳輸出低電壓,Q2關斷,D6熄滅。同時7腳輸出高電壓,此電壓一路使Q3導通,D10點亮。另一路經D8,W1到達反饋電路,使電壓降低。充電器進入涓流充電階段。1-2小時后充電結束。
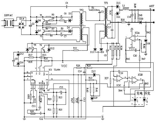
第三種:充電器的控制芯片一般是以TL494為核心,推動2只13007高壓三極管。配合324(4運算放大器),實現三階段充電。見圖表4
220V交流電經D1-D4整流,C5濾波得到300V左右直流電。此電壓給C4充電,經TF1高壓繞組,TF2主繞組,V2等形成啟動電流。TF2反饋繞組產生感應電壓,使V1,V2輪流導通。因此在TF1低壓供電繞組產生電壓,經D9,D10整流,C8濾波,給TL494,LM324,V3,V4等供電。此時輸出電壓較低。TL494啟動后其8腳,11腳輪流輸出脈沖,推動V3,V4,經TF2反饋繞組激勵V1,V2。使V1,V2,由自激狀態轉入受控狀態。TF2輸出繞組電壓上升,此電壓經R29,R26,R27分壓后反饋給TL494的1腳(電壓反饋)使輸出電壓穩定在41.2V上。R30是電流取樣電阻,充電時R30產生壓降。此電壓經R11,R12反饋給TL494的15腳(電流反饋)使充電電流恒定在1.8A左右。另外充電電流在D20上產生壓降,經R42到達LM324的3腳。使2腳輸出高電壓點亮充電燈,同時7腳輸出低電壓,浮充燈熄滅。充電器進入恒流充電階段。而且7腳低電壓拉低D19陽極的電壓。使TL494的1腳電壓降低,這將導致充電器最高輸出電壓達到44.8V。當電池電壓上升至44.8V時,進入恒壓階段。當充電電流降低到0.3A—0.4A時LM324的3腳電壓降低,1腳輸出低電壓,充電燈熄滅。同時7腳輸出高電壓,浮充燈點亮。而且7腳高電壓抬高D19陽極的電壓。使TL494的1腳電壓上升,這將導致充電器輸出電壓降低到41.2V上。充電器進入浮充。
1:高壓故障
高壓故障的主要現象是指示燈不亮,其特征有保險絲熔斷,整流二極管D1擊穿,電容C11鼓包或炸裂。Q1擊穿,R25開路。U1的7腳對地短路。R5開路,U1無啟動電壓。更換以上元件即可修復。若U1的7腳有11V以上電壓,8腳有5V電壓,說明U1基本正常。應重點檢測Q1和T1的引腳是否有虛焊。若連續擊穿Q1,且Q1不發燙,一般是D2,C4失效,若是Q1擊穿且發燙,一般是低壓部分有漏電或短路,過大或UC3842的6腳輸出脈沖波形不正常,Q1的開關損耗和發熱量大增,導致Q1過熱燒毀。高壓故障的其他現象有指示燈閃爍,輸出電壓偏低且不穩定,一般是T1的引腳有虛焊,或者D3,R12開路,TL3842及其外圍電路無工作電源。另有一種罕見的高壓故障是輸出電壓偏高到120V以上,一般是U2失效,R13開路所致或U3擊穿使U1的2腳電壓拉低,6腳送出超寬脈沖。此時不能長時間通電,否則將嚴重燒毀低壓電路。
2:低壓故障
低壓故障大部分是充電器與電池正負極接反,導致R27燒斷,LM358擊穿。其現象是紅燈一直亮,綠燈不亮,輸出電壓低,或者輸出電壓接近0V,更換以上元件即可修復。另外W2因抖動,輸出電壓漂移,若輸出電壓偏高,電池會過充,嚴重失水,發燙,最終導致熱失控,充爆電池。若輸出電壓偏低,會導致電池欠充。
3:高壓、低壓均有故障
高低壓電路均有故障時,通電前應首先全面檢測所有的二極管,三極管,光耦合器4N35,場效應管,電解電容,集成電路,R25,R5,R12,R27,尤其是D4(16A60V,快恢復二極管),C10(63V,470UF)。避免盲目通電使故障范圍進一步擴大。有一部分充電器輸出端具有防反接,防短路等特殊功能。其實就是輸出端多加一個繼電器,在反接,短路的情況下繼電器不工作,充電器無電壓輸出。還有一部分充電器也具有防反接,防短路的功能,其原理與前面介紹的不同,其低壓電路的啟動電壓由被充電池提供,且接有一個二極管(防反接)。待電源正常啟動后,就由充電器提供低壓工作電源。
聯系方式:鄒先生
聯系電話:0755-83888366-8022
手機:18123972950
QQ:2880195519
聯系地址:深圳市福田區車公廟天安數碼城天吉大廈CD座5C1
請搜微信公眾號:“KIA半導體”或掃一掃下圖“關注”官方微信公眾號
請“關注”官方微信公眾號:提供 MOS管 技術幫助
